Локальное очистное сооружение Alta Air Master 20. в Тюмени
За пределами населенных пунктов, в местах, где отсутствуют инженерные сети водоснабжения и канализации, для очистки сточных вод от индивидуальных построек используются локальные установки очистки сточных вод.
Установка Alta Air Master 20 подходит для комфортного проживания 20 человек и обеспечивает экологичное и надежное решение проблем с очисткой сточных вод для группы коттеджей.
Документы на оборудование
Описание
Локальное очистное сооружение Alta Air Master 20
За пределами населенных пунктов, в местах, где отсутствуют инженерные сети водоснабжения и канализации, для очистки сточных вод от индивидуальных построек используются локальные установки очистки сточных вод. Установка Alta Air Master 20 подходит для комфортного проживания 20 человек и обеспечивает экологичное и надежное решение проблем с очисткой сточных вод для одного или группы коттеджей. Установка по обработке сточных вод Alta Air Master 20 это заменитель полей фильтрации и (или) полей орошения, занимающих обширную площадь. Очищенную воду от установки Alta Air Master 20 можно направлять в поверхностную ирригационную систему или непосредственно в канал (канаву) (при условии установки УФ).
Описание работы Alta Air Master 20
Внутри системы очистки сточных вод Alta Air Master располагается двухкамерный отстойник, биореактор с погруженной загрузкой, ламинарный отстойник, система коагуляции, система обеззараживания осадка, насосы для чистой воды, очистное сооружения оборудовано вентиляционными патрубками для подключения стояка вентиляции (при отсутствии тяги в подводящей канализационной сети) и монтажными петлями для фиксации очистного сооружения на бетонной плите.
Очистное сооружение поставляется полностью укомплектованным и готовым к монтажу модулем.
Все конструктивные элементы и детали Alta Air Master, контактирующие со сточными водами, выполнены из неподверженных коррозии материалов: полипропилена, полиэтилена, поливинилхлорида, силикона. Конструкция очистного сооружения рассчитана на неравномерное поступление сточных вод в течение суток с коэффициентом среднесуточной неравномерности часового расхода не более 2.
В Alta Air Master реализуется экологически чистая технология глубокой биохимической очистки сточных вод биоценозами прикрепленных и свободно плавающих автотрофных и гетеротрофных микроорганизмов, действующих в аэробных и анаэробных условиях, с автоматическим поддержанием концентрации активного ила в аэротенке и первичном отстойнике, а так же длительной стабилизацией избытков ила с последующими процессами доочистки и обеззараживания.
Сток поступает в приемную камеру-накопитель, где происходит накопление нерастворимых взвешенных веществ поступающих со сточными водами. Одновременно в данной камере происходят анаэробные процессы денитрификации, цель которых удаление азота из стока. Перелив в камере-накопителе расположен таким образом, чтобы сточные воды протекали с наименьшей скоростью, благодаря чему в каждой камере происходит оседание грубодисперсных взвешенных частиц на дно.
Из приемной камеры-накопителя сток самотеком попадает в верхнюю часть биофильтра и равномерно распределяются по всей площади биологической загрузки и насыщаются кислородом. Биологический фильтр (биофильтр) – сооружение, в котором сточная вода фильтруется через загрузочный материал, покрытый биологической пленкой (биопленкой), образованной колониями микроорганизмов. В биофильтре установлен аэрационный элемент, предназначенный для принудительного насыщения воды кислородом из воздуха. Сюда же подается осаждающий препарат Eco Membrana в жидкой фракции. Осаждающий препарат дозируется строго в соответствии с реальной производительностью очистного сооружения. Задача осаждающего препарата провести химическое связывание фосфатов, присутствующих в стоке, а так же улучшить эффективность выпадения осадка в последующей камере ламинарного отстойника.
В процессе работы биореактора отработавшая и омертвевшая биопленка (избыточный ил) смывается и выносится из тела биофильтра на дно камеры, а так же осаждается на дне ламинарных отстойников. Далее избыточный ил удаляется с помощью гидравлической системы сбора и возврата осадка в приемную камеру очистного сооружения, где происходит процесс его стабилизации и минерализации.
Alta Air Master запрограммирован на суточный цикл работы и в периоды наименьшего поступления стока с помощью гидравлической системы сбора и возврата осадка, обеспечивает стабильное поступления питательных элементов для поддержания жизнедеятельности биомассы посредством рециркуляции ила.
В системе применена разработанная и запатентованная Компанией Alta Group гидравлическая система сбора и удаления осадка. Благодаря этой системе в очистном сооружении реализован самобалансирующийся механизм поддержания концентрации активного ила в аэротенке-биофильтре. Сбор и удаление осадка работает по программе, учитывающей суточную неравномерность поступления стока.
Сток из биореактора попадает в камеру ламинарного отстойника, где происходит удержание взвешенных частиц содержащихся в стоке, а так же частиц открепленной биомассы наряду с процессами денитрификации стока. Высокая эффективность ламинарного отстойника позволяет достичь высоких показателей по очистке стока от взвешенных частиц. Задержанный осадок вместе с предварительно нитрифицированным стоком направляется в камеру-накопитель. Осаждение взвешенных частиц в ламинарном отстойнике протекает до 4-х раз эффективнее, чем в обычном отстойнике.
Очищенная вода поступает в камеру чистой воды, где установлены два высокопроизводительных насоса – основной и резервный, организованные в группу КНС. Насосы работают по очереди, равномерно вырабатывая свой ресурс.
Насосы предназначены для выброса очищенной воды из очистного сооружения, либо подачи воды в блок ультрафиолетового обеззараживания Alta BioClean для дальнейшей обработки (поставляется опционально). УФ обеззараживание позволяет практически полностью уничтожить патогенные микроорганизмы. В бактерицидных установках применяются источники непрерывного ультрафиолетового излучения, которые воздействует на водную среду через специальный материал в диапазоне длин волн 180-300 нм. Для оповещения и дистанционного управления работой очистных сооружений и для своевременного предупреждения аварийных ситуаций, станцию возможно оборудовать системой SMS оповещения и дистанционного управления работой очистных сооружений Alta Contact.
Система Alta Contact осуществляет контроль наличия внешнего электропитания, наличия химикатов, контроль температурного режима, оповещает о необходимости откачки осадка, осуществляет защиту отсека оборудования от протечки и затопления.
Система Alta Contact осуществляет дистанционное управление электропитанием системы, включение/отключение аварийного и резервного насосов, включение/отключение звуковой/световой сигнализации.
Плюсы Alta Air Master 20
- Не требуется установка дополнительного колодца на участке.
- Более выгодное решение для домов, рельеф вокруг которых не позволяет воде выходить самотеком.
- Гармоничный дизайн исполнения системы «зеленый верх», хорошо вписывается в ландшафт приусадебного участка.
- Самотечный выброс очищенной воды, не ограниченное время работы в режиме простого отстойника без внешнего электропитания.
- Малый вес, удобство транспортировки и монтажа.
- Система рециркуляции очищенной воды, не требуется постоянное проживание.
- Добавление коагулянта, увеличение скорости осаждения взвешенных веществ, удаление фосфора из стока.
- Усовершенствованная система подключения питания.
- Нет ограничения по сбросу бытовых отходов (салфетки, пища и т.п.).
- Система наружного оребрения, надежная защита корпуса станции от деформации под воздействием грунтовых вод и сезонного движения почвы.
Очистное сооружение Alta Air Master 20 не требует обязательного оборудования поля поглощения или поля фильтрации, сброс очищенной воды может быть организован непосредственно на грунт либо в дренажные и ливневые системы.
Периодичность обслуживания один раз в год.
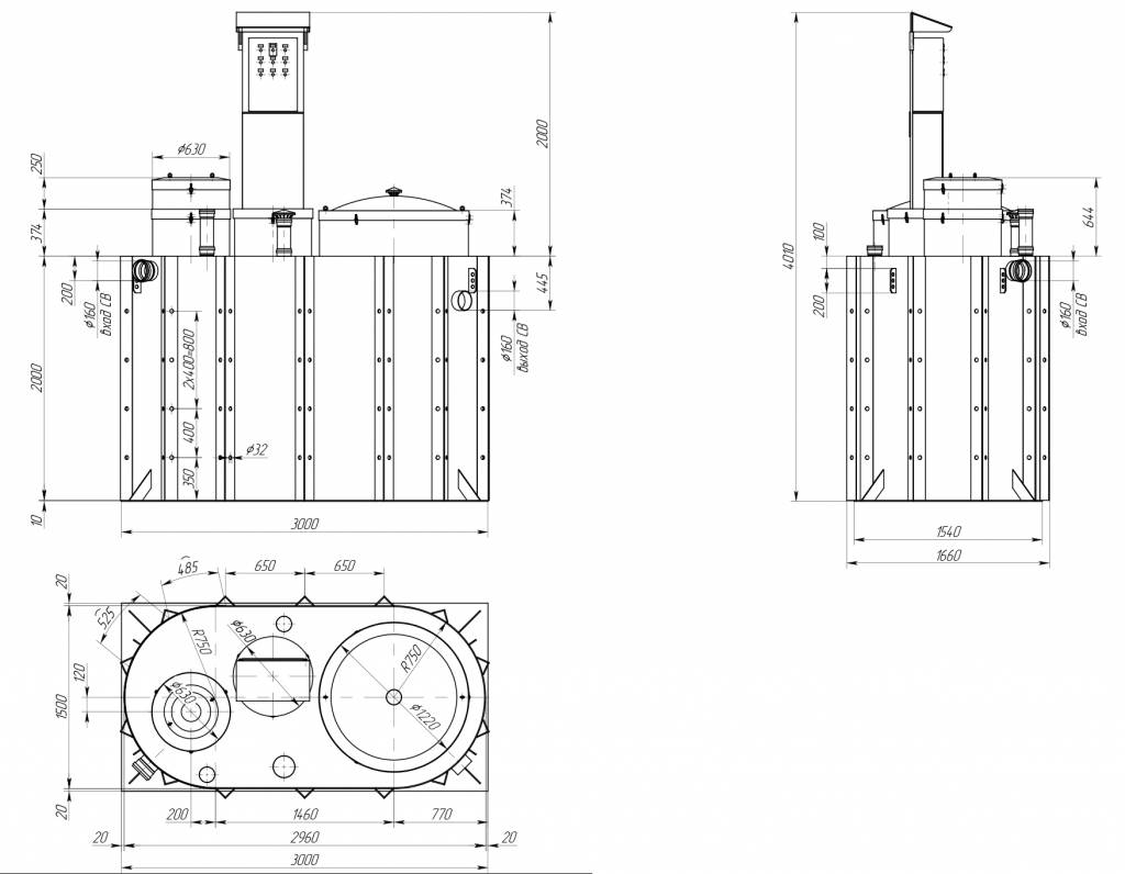
Размеры и габариты
Характеристики
|
Макс. залповый сброс, м³
|
2 |
|
|
4 |
|
Высота, мм
|
2825 |
|
Количество пользователей до
|
20 |
|
Размер основания, мм
|
3000х1660 |
|
Диаметр горловины, мм
|
1х630, 1х1220 |
|
Транспортировочный вес, кг
|
450 |
|
Глубина/диаметр входа, мм
|
355 |
|
Площадь для установки системы, м²
|
5 |
|
Количество компрессоров х насосов, шт.
|
1/3 |
|
Объем земляных работ, м³
|
14 |
|
Среднечасовое поступление стока, м³/ч
|
0,17 |
|
Установочная мощность, кВт
|
1,1 |
|
Энергопотребление, кВТ/ч
|
0,21 |
|
Напряжение, В
|
220 |
|
Рекомендованные параметры подводящего электрокабеля
|
3х2,5 |
|
Габариты (Длина х Ширина х Высота), мм
|
3000х1660х4010 |
|
Максимальный рабочий вес, тонн
|
9,45 |
|
Проекты
|
Хозяйственно-бытовой сток - 20 м3 в сутки, пограничная застава, Мурманская обл., Хозяйственно-бытовой сток - 20 м3 в сутки, инфекционная больница, р. Дагестан, г. Избербаш, Хозяйственно-бытовой сток - 20 м3 в сутки, коттеджный поселок "Новорижские ключи", МО, Хозяйственно-бытовой сток - 20 м3 в сутки, офисный комплекс, Московская обл. |






